> Police >
POLICE Department
Crime Statistics for 8C20's Beat

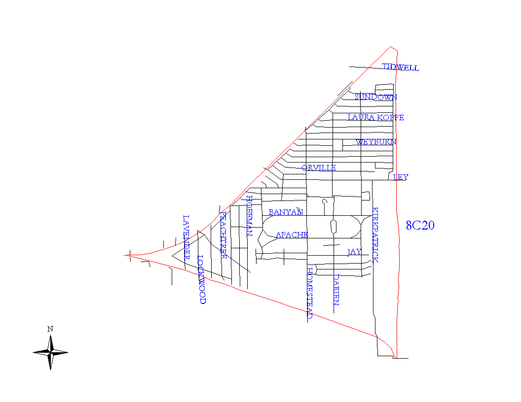
Click on map for larger, more detailed image
Beat Description and Boundary:
The boundary begins at the intersection of the MPRR tracks and Halls Bayou and goes about a quarter mile to the intersection of Halls Bayou and the HB&T railroad. It turns south along the HB&T and goes to the Settegast Railroad Yard. It continues south on the HB&T tracks on the east side of the Settegast yard to an intersection of two HB&T tracks about a quarter mile above the 610 Loop. The boundary turns northwest along the HB&T track and goes to the intersection of the MPRR tracks. It turns northeast along the MPRR tracks and goes to the intersection of Halls Bayou, which is where it begins.
Landmarks and Neighborhoods Within This Beat:
Houston Gardens, Rosewood, Homestead
ZIP Codes Within This Beat (see note below on ZIP codes and beats):
77026
77028
